跳到主要內容區塊
手機版選單
search
分享、字級大小、列印、注音符號、回上一頁及搜尋不支援No JavaScript
搜尋
進階搜尋
分享
分享到Facebook(另開新視窗)
分享到google+(另開新視窗)
Plurk(另開新視窗)
分享到twitter(另開新視窗)
分享到line(另開新視窗)
分享到email(另開新視窗)
機關介紹
歷史沿革
局長介紹
副局長介紹
業務職掌
單位願景與核心價值
施政目標與策略
組織圖
單位聯絡資訊
金門縣衛生行政組織源始
位置圖
政府資訊公開
統計資訊專區
衛生法規
SOP文件
衛生施政計畫
施政績效報告
業務報告
預算及決算書
特種基金會計月報
支付或接受之補助
本局內部保有及管理個人資料之項目
本局刊物
各委員會相關資料
辦理政策及業務宣導專區
輿情說明
大事紀專區
補助公告專區
便民服務
服務項目(申請須知)
檔案下載
自我健康評估
服務信箱
通譯人才資訊
FAQ常見問題專區
業務專區
健康促進業務
疾病管制業務
醫事業務
藥物食品檢驗資訊專區
長期照顧服務專區
社區心理衛生中心
衛生所專區
政風宣導專區
員工專區
衛教主軸專區
收件者Email
回首頁
網站導覽
意見信箱
常見問題
雙語詞彙
縣府首頁
English
訊息
資安及隱私權政策
:::
收件者Email
回首頁
網站導覽
意見信箱
常見問題
雙語詞彙
縣府首頁
English
分享
分享到Facebook(另開新視窗)
分享到google+(另開新視窗)
Plurk(另開新視窗)
分享到twitter(另開新視窗)
分享到line(另開新視窗)
分享到email(另開新視窗)
字級
字級小
字級中
字級大
衛生局
衛生局
:::
機關介紹
歷史沿革
局長介紹
副局長介紹
業務職掌
單位願景與核心價值
施政目標與策略
組織圖
單位聯絡資訊
金門縣衛生行政組織源始
位置圖
政府資訊公開
統計資訊專區
衛生法規
SOP文件
衛生施政計畫
施政績效報告
業務報告
預算及決算書
特種基金會計月報
支付或接受之補助
本局內部保有及管理個人資料之項目
本局刊物
各委員會相關資料
辦理政策及業務宣導專區
輿情說明
大事紀專區
補助公告專區
便民服務
服務項目(申請須知)
檔案下載
自我健康評估
服務信箱
通譯人才資訊
FAQ常見問題專區
業務專區
健康促進業務
疾病管制業務
醫事業務
藥物食品檢驗資訊專區
長期照顧服務專區
社區心理衛生中心
衛生所專區
政風宣導專區
員工專區
衛教主軸專區
search
分享、字級大小、列印、注音符號、回上一頁及搜尋不支援No JavaScript
搜尋
進階搜尋
:::
首頁
業務專區
藥物食品檢驗資訊專區
檢驗結果
114年檢驗報告
114年檢驗報告
網頁功能
列印內容
MataData
注音符號
金門縣衛生局114年度抽驗學校營養午餐檢驗結果
金門縣衛生局114年度抽驗豆製品、麵製品36件檢驗結果
金門縣衛生局114年10-11月即食食品、飲品、肉製品共計26件檢驗結果
金門縣衛生局114年11月農業試驗所送驗地區種植蔬果採收前農藥殘留檢驗結果
金門縣衛生局114年9、10月抽驗熟食、飲料、油、海鮮及醃製蔬菜等35件檢驗結果
金門縣衛生局114年10月農業試驗所送驗地區種植蔬果採收前農藥殘留檢驗結果
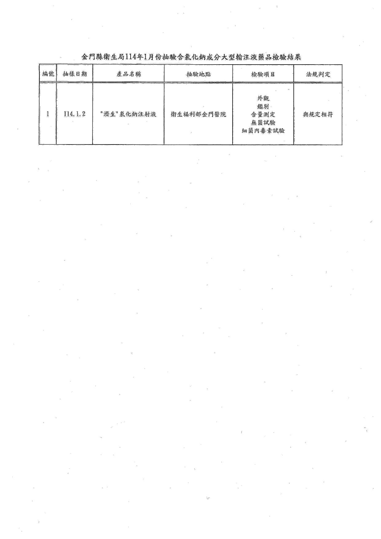
金門縣衛生局114年1月份抽驗含氯化鈉成分大型輸注液藥品檢驗結果
金門縣衛生局114年8-9月 熟食、盛裝水共計12件檢驗結果
金門縣衛生局抽驗中秋節應景食品檢驗結果共計30件
金門縣衛生局114年7、8、9月抽驗熟食及豆製品等29 件檢驗結果
pdf
pdf
金門縣衛生局114年8月抽驗真菌毒素檢體39件檢驗結果
pdf
xlsx
金門縣衛生局114年8月抽驗地區烘焙食品及飲料共計14件檢驗結果
金門縣衛生局114年8月農業試驗所送驗地區種植蔬果採收前農藥殘留檢驗結果
金門縣衛生局114年6-8月抽驗地區烘焙、素食及即食食品共計15件檢驗結果
金門縣衛生局114年6月抽驗即食食品共計12件檢驗結果
金門縣衛生局114年4月份抽驗中醫診所調劑藥品檢驗結果
金門縣衛生局114年6月農業試驗所送驗地區種植蔬果採收前農藥殘留檢驗結果
金門縣衛生局113年春節食品共33件檢驗結果
pdf
金門縣衛生局114年6月抽驗化粧品檢驗結果
金門縣衛生局114年4-5月抽驗地區飲料共計19件檢驗結果
金門縣衛生局114年2月份抽驗中藥製劑檢驗結果
金門縣衛生局114年2月份抽驗中藥材檢驗結果
金門縣衛生局114年度抽驗肉製品共10件檢驗結果
金門縣衛生局114年4月農業試驗所送驗地區種植蔬果採收前農藥殘留檢驗結果
金門縣衛生局114年度抽驗端午節食品共33件檢驗結果
金門縣衛生局114年3月抽驗 真菌毒素檢體38件檢驗結果
pdf
pdf
金門縣衛生局114年3月抽驗地區飲料及配料共計18件檢驗結果
pdf
金門縣衛生局公布114年清明節應景食品共45件檢驗結果
pdf
金門縣衛生局114年3月裁處大陸食品違規案件
pdf
門縣衛生局114年1-2月抽驗即食食品及日本食品共計20件檢驗結果
pdf
pdf
金門縣衛生局114年2月農業試驗所送驗地區種植蔬果採收前農藥殘留檢驗結果
金門縣衛生局114年1月抽驗地區火鍋料、烘焙食品共計26件檢驗結果
pdf
114年2月份抽驗市售中藥製劑檢驗結果
pdf
金門縣衛生局114年2月份抽驗中藥材檢驗結果